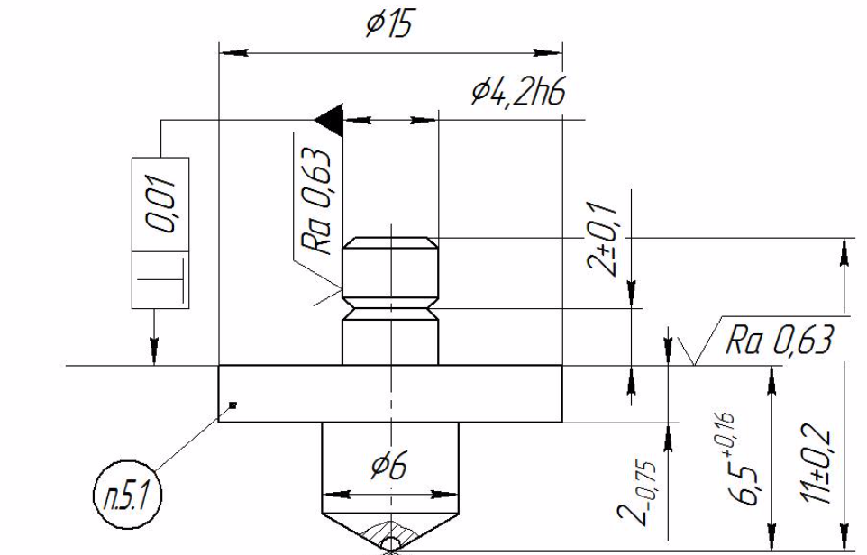
Наконечник алмазный тип Кнуп (Knoop) для микротвердомеров ПМТ-3 и ПМТ-5
| Страна, ответственная организация | Номер в госреестре |
| Российская Федерация, Росстандарт |
не подлежит внесению в реестр |
| Российская Федерация, АО "РЖД" |
не подлежит внесению в реестр |
| Республика Беларусь, Госстандарт |
не подлежит внесению в реестр |
| Республика Казахстан, КазИнМетр |
не подлежит внесению в реестр |
| Иные регистры, удостоверения, заключения, разрешения и пр. | |
| отсутствуют | |
Изготовление по чертежам, представленным на данной странице - изготовлялись ранее по заказам пользователей микротвердомеров ПМТ-3 и ПМТ-5.
Возможно изготовление по любым другим чертежам заказчика.
Минимальный заказ - 2 единицы.
Срок изготовления - 4 недели.
Рекомендуемый порядок установки (замены) индентора в приборах для измерения твёрдости (твердомерах стационарного и переносного типов):
- Подготовить индентор и посадочное место шпинделя: протереть бензином и смазать контактные поверхности бескислотным вазелином;
- Ослабить винт фиксации индентора к шпинделю;
- Извлечь прежний индентор и установить требуемый для испытания, затянуть винт. Важно: установить хвостовик индентора вглубь посадочного места до упора и обжать его, в противном случае при испытании может произойти смещение индентора и его повреждение;
- Разместить на предметном (измерительном / опорном) столике прибора эталонную меру микротвёрдости, соответствующую шкале и диапазону измерения;
- Обжать индентор: троекратно приложить основную нагрузку для укола индентором в различных местах рабочей поверхности меры микротвёрдости.
6. Закрутить винт фиксации индентора до упора.
7. Произвести не менее 5 измерений на эталонной мере микротвёрдости с вычислением среднего значения. Сравнить полученное микротвердомером среднее значение твёрдости со значением твёрдости эталонной меры микротвёрдости. Если полученное микротвердомером среднее значение твёрдости и значение эталонной меры микротвёрдости находятся в пределах допустимой погрешности (погрешность микротвердомера по паспорту изготовителя + погрешность меры микротвёрдости по паспорту изготовителя), то продолжить измерения твёрдости других контролируемых изделий. Если значение твёрдости, измеренное микротвердомером, и значение эталонной меры микротвёрдости выходят за пределы допустимой погрешности - необходимо произвести калибровку микротвердомера согласно инструкции изготовителя.
Наконечник алмазный тип Кнуп (Knoop) для микротвердомеров ПМТ-3 и ПМТ-5
Наш адрес: ул. Вавилова, 79. Режим работы: Пн.-Пт. с 9:00 до 18:00.
- позвоните по телефону +7 (499) 703-39-69;
- напишите в WhatsApp на номер +7(981)125-98-20;
- отправьте письмо на электронную почту ecnk@ecnk.ru












