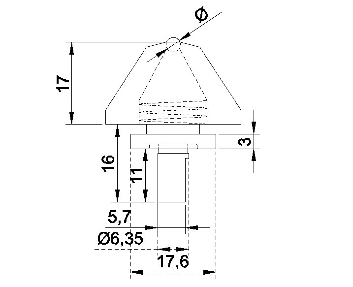
Наконечник шариковый к твердомеру Бринелль
| Страна, ответственная организация | Номер в госреестре |
| Российская Федерация, Росстандарт | не подлежит внесению в реестр |
| Российская Федерация, АО "РЖД" |
не подлежит внесению в реестр |
| Республика Беларусь, Госстандарт |
не подлежит внесению в реестр |
| Республика Казахстан, КазИнМетр |
не подлежит внесению в реестр |
| Иные регистры, удостоверения, заключения, разрешения и пр. | |
| отсутствуют | |
Наконечник шариковый к приборам для измерения твёрдости металлов и сплавов по методу Бринелля в соответствии с ГОСТ 9012-59, а также специализированное применение:
- в ОАО "РЖД" - для измерения твёрдости колодок тормозных чугунных для локомотивов согласно ГОСТ 30249-97 (п.6.3.) и ГОСТ 28186-89 (п.3.3.)
- для измерения твёрдости титана губчатого по ГОСТ 30311-96 (п.6.5.).
| Страна | Производитель приборов для измерения твёрдости |
| Россия | Москва, "Метолаб" |
| Иваново, "Точприбор", "ЗИП", "Импульс", "Тестсистемы" | |
| Нефтекамск, "Метротест" | |
| Санкт-Петербург, "Точприбор Северо-Запад" | |
| Китай | "TIME Group Inc" |
| США | "Wilson Hardness Group" |
| ФРГ | "Zwick / Roell" |
| Италия | "LTF S.p.A. / Galileo" |
Рекомендуемый порядок установки (замены) индентора в приборах для измерения твёрдости (твердомерах стационарного и переносного типов):
- Подготовить индентор и посадочное место шпинделя: протереть бензином и смазать контактные поверхности бескислотным вазелином;
- Ослабить винт фиксации индентора к шпинделю;
- Извлечь прежний индентор и установить требуемый для испытания, затянуть винт. Важно: установить хвостовик индентора вглубь посадочного места до упора и обжать его, в противном случае при испытании может произойти смещение индентора и его повреждение;
- Разместить на предметном (измерительном / опорном) столике прибора эталонную меру твёрдости, соответствующую шкале и диапазону измерения;
- Обжать индентор:
- для сферических инденторов (наконечников с шариком) - единожды приложить основную нагрузку для укола индентором в рабочую поверхность меры твёрдости;
- для конусных инденторов (наконечники алмазные) - троекратно приложить основную нагрузку для укола индентором в различных местах рабочей поверхности меры твёрдости.
6. Закрутить винт фиксации индентора до упора.
7. Произвести не менее 5 измерений на эталонной мере твёрдости с вычислением среднего значения. Сравнить полученное твердомером среднее значение твёрдости со значением твёрдости, выгравированном на боковой поверхности эталонной меры твёрдости. Если полученное твердомером среднее значение твёрдости и значение эталонной меры твёрдости находятся в пределах допустимой погрешности (погрешность твердомера по паспорту изготовителя + погрешность меры твёрдости по паспорту изготовителя), то продолжить измерения твёрдости других контролируемых изделий. Если значение твёрдости, измеренное твердомером, и значение эталонной меры твёрдости выходят за пределы допустимой погрешности - необходимо произвести калибровку твердомера согласно инструкции изготовителя.
Наконечник шариковый к твердомеру Бринелль
Наш адрес: ул. Вавилова, 79. Режим работы: Пн.-Пт. с 9:00 до 18:00.
- позвоните по телефону +7 (499) 703-39-69;
- напишите в WhatsApp на номер +7(981)125-98-20;
- отправьте письмо на электронную почту ecnk@ecnk.ru




















